阿里兄弟产品
相关资讯
[KSD301温度开关]
- 产品简介:深圳市阿里电工科技有限公司专业生产各种硅胶加热片,硅胶加热膜,硅胶加热带,硅橡胶制品,硅胶辅料、配件,硅橡胶工艺品,硅胶加热鞋垫、手套、加热衣等。 各种规格款式均可按客户需求订购,欢迎有需要的顾客来电咨询。咨询/销售热线:400-0880-278. 0755-81792164
- 订购热线:0755-81792164
|
开关类型:常闭 |
工作电压:250(V) |
加工定制:是 |
|
类型:突跳式 |
过载电流:10(A) |
型号:KSD301温度开关 |
|
动作温度:-10~260(℃) |
产品认证:UL TUV CQC CB SGS |
寿命:100000(次) |
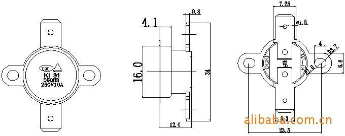
外观尺寸:34*11mm
广东KSD301温度开关(KI31)应用领域
①饮水机、电热热水器、三明治烤面包机、洗碗机、干燥机、消毒柜、微波炉、电热咖啡壶、电煮锅、冰箱、空调过胶机、
②办公设备
③汽车座位加热器
广东KSD301温度开关(KI31)竞争优势
①性能稳定
②精度高
③体积小、量轻
④可靠性高、寿命长
⑤对无线电干忧小
⑥不拉弧
广东KSD301温度开关(KI31)结构特点
KI31系列产品是一种用双金属片作为感温组件的温控器,电器正常工作时,双金属片处于自由状态,触点处于闭合/断开状态,当温度达到动作温度时,双金属片受热产生内应力而迅速动作,打开/闭合触点,切断/接通电路,从而起到控温作用。当电器冷却到复位温度时,触点自动闭合/打开,恢复正常工作状态。

广东KSD301温度开关(KI31)性能参数
①电气参数:CQC、VDE、UL、CUL AC250V 50~60Hz 5A / 10A / 15A(阻性负载)
UL AC125V 50Hz 15A(阻性负载)
②动作温度范围:-10~260℃,温度精度:±2 ±3 ±5 ±10℃
③回复与动作温度差:8~100℃(任选)
④接线方式:插端子250#(弯0~90°可选);插端子187#(弯0~90°可选,厚度0.5、0.8mm可选)
⑤使用寿命:≥ 150,000次
⑥电气强度:AC 50Hz 1800V历时1min,无闪烁,无击穿
⑦接触电阻:≤50mΩ
⑧绝缘电阻:≤100MΩ
⑨接点形式:常闭型:温度上升,触点断开,温度下降,触点接通;
常开型:温度上升,触点接通,温度下降,触点断开
⑩外壳防护等级:IP00
安装方式:KI-31系列安装普通活动环,安装小圆活动环,安装平板活动环,带安装孔普通大铝盖,带安装孔加长铝盖。
广东KSD301温度开关(KI31)使用说明
①接地方式:通过温控器金属外盖与设备接地金属部件相连。
②采用接触感温式安装时,应使金属盖面贴紧被控器具的安装面,为确保感温效果,应在感温表面涂上导热硅脂或其它性能类似的导热介质。
③安装时不可把盖面顶部压塌、松动或变形,以免影响性能。
④不能让液体渗入控温器内部,不得使外壳出现裂纹,不得随意改变外接端子的形状。
⑤产品在不大于5A电流的电路中使用,应选择铜芯截面为0. 5-1㎜2导线连接;不大于10A电流的电路中使用,应选择铜芯截面为0.75-1.5㎜2导线连接。
⑥产品应在相对湿度小于90%,环境温度40℃以下通风、洁净、干燥、无腐蚀性气体的仓库中存放。
⑦使用过程不能折弯接线端子,否则将影响电气连接的可靠性
广东KSD301温度开关(KI31)通过认证

关于我们 服务热线
阿里集团于1998年初成立于香港,1999年在深圳设立直属工厂“深圳市阿里电工科技有限公司”,专业研发、生产、销售硅橡胶加热器、加热片等电热系列产品,公司努力打造中国硅胶电热行业第一品牌,业务遍及全球30多个国家。 我公司长期与国内众多科研机构长期合作、如清华大学、西安交大、华南理工、哈工大等高校产学一体化技术合作,立足产品研发,技术领先,同时与国外大型企业3D Printer Manufacturer USA Mc Donlad等保持着良好的合作关系。依靠科技进步、科技兴厂的理念使企业的技术和生产能力迅速提高,生产质量更加稳定,销售市场日益壮大。
公司的产品广泛应用在航空航天,医疗器械,电工电气,石油管道,机械设备,化工、民用加热等领域。许多产品现已填补国内空白,替代进口,每年为国家节省大量外汇。我们将本着诚信,专业,团结,进取的经营理念生产产品,本着互惠互利的原则合作共赢,努力为国内外客商提供最完善的服务,诚邀新老客户来我公司实地参观、考察。
行业:橡塑行业,,电工电气行业
产品:硅胶发热片的技术开发、生产及销售;电子产品的销售
产品:发热加热片/发热加热膜/发热加热板/发热加热带;电热加热片/电热加热板/电热加热膜/电热加热带;液化气桶加热片/油桶加热片,硅胶礼品等硅橡胶产品
赢利模式:加工,定制品。
主要客户群:电子电器的工厂,医疗器械的工厂,超声波清洗设备的工厂,石油,化工航空,航天领域都可以用到。
联系我们 服务热线:4006-252-286
深圳市阿里电工科技有限公司
电 话: 4006-252-286 / 81792164
传 真: 0755-33609565
手 机: 15818563578
Q Q : 156819267
地 址: 深圳市宝安区石岩镇北环路华丰圳宝工业园5栋
邮 箱: alirubber.com@163.com
| * 联系人: | 请填写您的真实姓名 |
| * 手机号码: | 请填写您的联系电话 |
| 电子邮件: | |
| * 订购意向描述: | |
| 请填写订购的产品数量和产品描述,方便我们进行统一备货。 | |
| 我要评论: | |
| 内 容: |
(内容最多500个汉字,1000个字符) |
| 验证码: | 看不清?! |














共有-条评论【我要评论】